面粉是一種由小麥磨成的粉狀物。是中國北方大部分地區的主食,我們常說的“面粉”指小麥粉,即用小麥磨出來的粉,“高筋小麥粉”之類的名稱指的就是我們平常所說的面粉。


面粉屬于可食用物料,但是在生產面粉其中,難免會出現雜質混入,這是就需要我們的食品振動篩了,食品振動篩主要是為了不同的物料而專門定做的一個篩分設備,食品振動篩是一種高精度細粉篩分機械,其噪音低、效率高,快速換網需3-5分鐘,全封閉結構,適用于粒、粉、粘液等物料的篩分過濾。


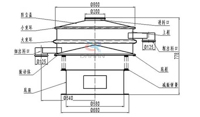
食品振動篩是由直立式電機作激振源,電機上、下兩端安裝有偏心重錘,將電機的旋轉運動轉變為水平、垂直、傾斜的三次元運動,再把這個運動傳遞給篩面。調節上、下兩端的相位角,可以改變物料在篩面上的運動軌跡。

食品振動篩起動后,其動力裝置即振動電機上下兩端不同相位的偏心塊、由于高速放置作用而產生一復合慣性力,該慣性力強迫篩機振動體作復旋運動,篩框在振動力的作用下連續作往復運動,進地而帶動篩面 作周期性振動,從而使篩面上的物料隨篩箱一同作定向踴躍式運動,其間,小于篩面孔徑的物料通過篩孔落到下層,成為篩下物,大于篩面孔徑的物料經連續跳躍運動后從排料口排出,終完成篩分工作。從而達到將面粉雜質去除的效果。

上一篇:大漢廠家生產的振動篩的種類有哪些
下一篇:氣流篩分機每小時可以篩分多少產量

Copyright ©2008-2015直線篩廠家-新鄉市大漢振動機械有限公司 All Rights Reserved 版權所有 備案號:豫ICP備09002479號-16
電話:0373-6373668 15836198876 地址:延津縣森林公園大門西1000米路北

